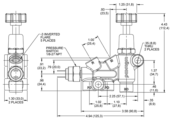
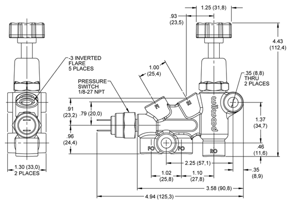
Das neue Kombinations Regelventil von Wilwood vereinfacht wesentlich die Montage der Bremskraftreglung bei Standard Bremssystemen. Der Kombinationsblock bewirkt eine vollständige Isolation zwischen Vorder-und Hinterachskreisläufen und kann in Verbindung mit Tandem- oder Dual- Hauptbremszylinder Baugruppen verwendet werden. Der hintere Bremskreis hat einen einzielnen Eingang und Auslass mit dem verstellbaren Dosierventil. Der vordere Bremskreis hat einen einseitigen Eingang mit zwei Ausgängen. Er kann als Verteiler für die vorderen Bremsleitungen genutzt werden. Der vordere Bremskreis beinhaltet einen integrierten Bremslichtschalter.
Angaben zur Produktsicherheit
Hersteller: Wilwood Engineering, Inc. CA 93012, Camarillo, 4700 Calle Bolero customerreply@wilwood.com
EU Verantwortliche Person: Importeur: Bernhard Schlüter Hanfeldstraße 40 · 49733 Haren · info@rennsportshop.com
Funktionale Cookies sind für die Funktionalität des Webshops unbedingt erforderlich. Diese Cookies ordnen Ihrem Browser eine eindeutige zufällige ID zu damit Ihr ungehindertes Einkaufserlebnis über mehrere Seitenaufrufe hinweg gewährleistet werden kann.
Session:
Das Session Cookie speichert Ihre Einkaufsdaten über mehrere Seitenaufrufe hinweg und ist somit unerlässlich für Ihr persönliches Einkaufserlebnis.
CSRF-Token:
Das CSRF-Token Cookie trägt zu Ihrer Sicherheit bei. Es verstärkt die Absicherung bei Formularen gegen unerwünschte Hackangriffe.
Zeitzone:
Das Cookie wird verwendet um dem System die aktuelle Zeitzone des Benutzers zur Verfügung zu stellen.
Cookie Einstellungen:
Das Cookie wird verwendet um die Cookie Einstellungen des Seitenbenutzers über mehrere Browsersitzungen zu speichern.
Cache Behandlung:
Das Cookie wird eingesetzt um den Cache für unterschiedliche Szenarien und Seitenbenutzer zu differenzieren.
Herkunftsinformationen:
Das Cookie speichert die Herkunftsseite und die zuerst besuchte Seite des Benutzers für eine weitere Verwendung.
Aktivierte Cookies:
Speichert welche Cookies bereits vom Benutzer zum ersten Mal akzeptiert wurden.
CAPTCHA-Integration
PayPal-Zahlungen
PayPal:
Das Cookie wird für Zahlungsabwicklungen über PayPal genutzt.
Tracking Cookies helfen dem Shopbetreiber Informationen über das Verhalten von Nutzern auf ihrer Webseite zu sammeln und auszuwerten.
Google Analytics:
Google Analytics wird zur der Datenverkehranalyse der Webseite eingesetzt. Dabei können Statistiken über Webseitenaktivitäten erstellt und ausgelesen werden.
Service Cookies werden genutzt um dem Nutzer zusätzliche Angebote (z.B. Live Chats) auf der Webseite zur Verfügung zu stellen. Informationen, die über diese Service Cookies gewonnen werden, können möglicherweise auch zur Seitenanalyse weiterverarbeitet werden.
Tawk:
Tawk stellt einen Live Chat für Seitenbenutzer zur Verfügung. Über das Cookie wird die Funktion der Anwendung über mehrere Seitenaufrufe hinweg sicher gestellt.
Für Statistiken und Shop-Performance-Metriken genutzte Cookies.
Google Analytics
Erlaubt es Google, personenbezogene Daten für Online-Werbung und Marketing zu sammeln.
Google Werbung und Marketing
Meta Pixel:
Für die Schaltung und Optimierung von Facebook und Instagram Anzeigen, können Sie hier dem Einbinden des Meta Pixels in unseren Shop zustimmen.
Merkzettel
YouTube-Video
Landkarte:
Wir verwenden OpenStreetMap als Anbieter, um Ihnen den Standort unserer Geschäfte und Händler visuell darzustellen.
Countdown Banner:
Speichert den offenen oder geschlossenen Zustand des Countdown Banners.
Countdown Banner:
Speichert den offenen oder geschlossenen Zustand des Countdown Banners.
Shopware Analytics ist ein Analysedienst zur Erfassung des Shopping-Verhaltens auf diesem Webshop, bereitgestellt von der shopware AG (Ebbinghoff 10, 48624 Schöppingen, Deutschland) in gemeinsamer Verantwortung (siehe auch die Datenschutzinformationen). Die Rechtsgrundlage für die Datenverarbeitung ist Art. 6 Abs. 1 S. 1 lit. a DSGVO. Sofern Informationen lokal gespeichert werden, entnehmen Sie bitte weitere Details zur Datenverarbeitung unserer Datenschutzerklärung.
Empfänger der Daten ist die shopware AG sowie IT-Dienstleister. Verwendete Technologien umfassen Local Storage. Die erhobenen Daten beinhalten Kundengruppe, besuchte Seiten, Klickpfade, Datum und Uhrzeit des Besuches, Informationen über das genutzte Endgerät (Auflösung, Auflösungsdichte, Betriebssystem), Referrer URL, Informationen des verwendeten Browsers, Gebietsschema, Suchanfragen, Zeitzone. Der Zweck der Datenerhebung dient dem Marketing, der Analyse und der Statistik.
Die Datenverarbeitung erfolgt innerhalb der Europäischen Union. Bei Fragen zum Datenschutz können Sie den Datenschutzbeauftragten unter legal@shopware.com kontaktieren. Weitere Informationen finden Sie auf https://www.shopware.com/de/datenschutz/website.
Gespeicherte Daten:
Shopware Analytics fügt die folgenden Daten zum Local Storage des Browsers hinzu, bis die Zustimmung widerrufen wird: _swa_anonymousId (eine eindeutige Kennung des Besuchers), _swa_userTraits (Benutzermerkmale des Besuchers).
Google Auto-Übersetzer
Google Auto-Übersetzer
Privatsphäre-Einstellungen
Wir und unsere Partner möchten Ihnen ein besseres Online-Erlebnis bieten. Dazu speichern wir Infos auf Ihrem Gerät oder greifen darauf zu – zum Beispiel über Cookies oder ähnliche Technologien wie JavaScript. So können wir die Website verbessern, ihre Funktionen sicherstellen, Nutzerprofile erstellen und Ihnen Werbung zeigen, die zu Ihren Interessen passt. Manche unserer Partner nutzen die Daten eventuell auch für eigene Zwecke – entweder gemeinsam mit uns oder unabhängig. Wenn Sie auf „Akzeptieren“ klicken, stimmen Sie zu, dass wir die Infos speichern, darauf zugreifen und die Daten auch in Drittländer übermitteln dürfen. Wenn Sie ablehnen, werden nur unbedingt notwendige Cookies aktiviert. Ihre Einwilligung können Sie jederzeit widerrufen – einfach unter Angabe Ihrer ID. Unter „Cookie-Einstellungen“ können Sie außerdem festlegen, welche Cookies gesetzt werden sollen und erfahren, wie lange sie gespeichert werden. Alle Details zu Ihren Rechten, Widerrufsmöglichkeiten und zum Datenschutz finden Sie in unseren Datenschutzhinweisen.